Van cầu thép PN10 – PN40| DN15 – DN300
Chất liệu: Thép đúc (WCB, A105, CF8, CF8M)
Áp suất làm việc: PN10, PN16, PN25, PN40
Trong các hệ thống đường ống công nghiệp, việc kiểm soát lưu lượng, áp suất và dòng chảy là điều cực kỳ quan trọng. Một trong những thiết bị không thể thiếu trong hệ thống này chính là van cầu thép (Globe Valve). Bài viết dưới đây sẽ giúp bạn hiểu rõ hơn về dòng van cầu thép PN10 – PN40, kích thước từ DN15 đến DN300 – giải pháp tối ưu cho nhiều ứng dụng công nghiệp nặng và môi trường làm việc khắc nghiệt.
✅ 1. Van cầu thép là gì?
Van cầu thép (Globe Valve) là loại van được thiết kế để đóng mở hoặc điều tiết dòng chảy trong hệ thống ống dẫn. Cấu tạo của van cho phép kiểm soát chính xác dòng chất lỏng hoặc khí thông qua một đĩa chuyển động lên xuống vuông góc với dòng chảy.

Xem thêm: Tại sao nên chon van cầu hơi thép?
Tham khảo Van cầu gang tại đây!
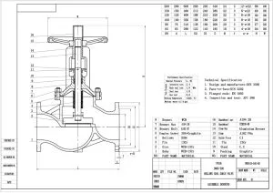
2. Thông số kỹ thuật sản phẩm

| Thông số | Mô tả |
|---|---|
| Chất liệu | Thép đúc (WCB, A105, CF8, CF8M) |
| Áp suất làm việc | PN10, PN16, PN25, PN40 |
| Kích thước | DN15, DN20, DN25, …, đến DN300 |
| Kết nối | Mặt bích tiêu chuẩn DIN, ANSI, JIS |
| Tiêu chuẩn thiết kế | BS 1873, DIN 3356, API 602, API 600 |
| Nhiệt độ làm việc | -20°C đến 450°C tùy vật liệu và loại gioăng |
| Ứng dụng | Hơi nóng, dầu, khí, nước, chất lỏng hóa học |
3. Ưu điểm nổi bật của van cầu thép
Chịu nhiệt và áp suất cao: Được làm từ vật liệu thép đúc chất lượng, van cầu có thể hoạt động tốt trong điều kiện áp suất lên tới PN40 và nhiệt độ cao.
Điều tiết dòng chảy hiệu quả: Thiết kế đĩa van và thân van cho phép điều tiết chính xác lưu lượng, rất thích hợp với hệ thống cần kiểm soát tốc độ dòng chảy.
Kết nối mặt bích chắc chắn: Mặt bích tiêu chuẩn giúp lắp đặt nhanh chóng, chắc chắn, hạn chế rò rỉ và dễ bảo trì.
Đa dạng kích thước: Từ DN15 đến DN300, phù hợp từ hệ thống nhỏ đến công nghiệp quy mô lớn.
4. Ứng dụng trong thực tế

Van cầu thép được sử dụng rộng rãi trong nhiều lĩnh vực như:
Hệ thống hơi nóng công nghiệp: Nhà máy nhiệt điện, lò hơi, nồi hơi…
Ngành dầu khí: Hệ thống lọc hóa dầu, trạm phân phối khí đốt
Hệ thống cấp thoát nước đô thị và công nghiệp
Ngành thực phẩm và đồ uống: Xử lý nước, kiểm soát nhiệt độ chất lỏng
Công nghiệp hóa chất, dược phẩm: Chịu ăn mòn tốt (nếu dùng vật liệu thép không gỉ)
⚙️ 5. Cấu tạo van cầu thép

Thân van (Body): Làm từ thép đúc, chịu áp và nhiệt cao
Nắp van (Bonnet): Được kết nối với thân van, có thể tháo ra bảo trì
Ty van (Stem): Điều khiển đóng mở đĩa van
Đĩa van (Disc): Thành phần điều tiết dòng chảy
Gioăng làm kín: PTFE, graphite, kim loại…
Tay quay (hoặc truyền động điện, khí): Tùy theo yêu cầu vận hành
6. Phân loại theo cấu hình & vận hành
Van cầu tay quay: Loại phổ biến, dễ lắp đặt và vận hành thủ công
Van cầu điều khiển điện/khí nén: Dùng cho hệ thống tự động hóa
Van cầu một chiều (stop-check): Kết hợp với tính năng chống dòng chảy ngược
7. Lý do nên chọn van cầu thép PN10 – PN40
✅ An toàn cao trong hệ thống áp suất lớn
✅ Hiệu quả lâu dài, ít hỏng hóc, tiết kiệm chi phí bảo trì
✅ Đáp ứng tiêu chuẩn quốc tế (API, DIN, BS)
✅ Tùy biến linh hoạt theo đường kính và môi trường làm việc
✅ Giá thành hợp lý cho công trình công nghiệp
8. Tư vấn chọn van cầu phù hợp
Khi lựa chọn van cầu, bạn cần lưu ý các yếu tố:
Áp suất làm việc (PN): Chọn đúng PN10, PN16, PN25 hoặc PN40 tùy hệ thống
Nhiệt độ chất lỏng: Chọn vật liệu chịu nhiệt phù hợp
Kích thước đường ống: DN15 – DN300, đảm bảo tương thích
Kiểu kết nối: Mặt bích đúng tiêu chuẩn để dễ lắp đặt
9. Đơn vị cung cấp van cầu thép uy tín
Nếu bạn đang tìm đơn vị cung cấp van cầu thép PN10 – PN40 | DN15 – DN300, hãy lựa chọn những doanh nghiệp:
Có chứng chỉ CO, CQ đầy đủ
Cung cấp báo giá rõ ràng, minh bạch
Hàng có sẵn nhiều size DN, tiêu chuẩn PN
Bảo hành dài hạn, hỗ trợ kỹ thuật tận nơi
Kết luận
Van cầu thép PN10 – PN40 | DN15 – DN300 là sự lựa chọn lý tưởng cho các hệ thống yêu cầu kiểm soát dòng chảy chính xác, áp suất cao và điều kiện vận hành khắc nghiệt. Với tính năng bền bỉ, dễ lắp đặt, đa năng – loại van này đang là giải pháp không thể thiếu trong hầu hết công trình công nghiệp hiện đại.
Liên Hệ Ngay Để Được Tư Vấn
Van Công Nghiệp Phát Đạt tự hào cung cấp các sản phẩm van công nghiệp chính hãng với chất lượng vượt trội và dịch vụ khách hàng chu đáo. Khi hợp tác cùng chúng tôi, bạn sẽ được:
- Sản phẩm chính hãng:
- Cam kết chất lượng cao nhất, đầy đủ chứng nhận và bảo hành chính hãng.
- Giá thành cạnh tranh:
- Mang lại giá trị cao
Hãy đến với Van Công Nghiệp Phát Đạt để được tư vấn và cung cấp các giải pháp tối ưu nhất cho nhu cầu sử dụng Van Công Nghiệp phổ biến. Chúng tôi cam kết mang đến cho bạn sản phẩm chính hãng, dịch vụ tận tâm và mức giá tốt nhất trên thị trường.
Hotline : 0326 888 865 – 0389 66 22 55 – 0922 33 13 88
















buikien –
Giá tốt giao hàng nhanh chóng